Fiche technique de la béquille iwa pour antipanique
La Béquille électronique iwa pour antipanique fait partie de notre solution de contrôle d'accès iwa paramétrable via le logiciel iwaGestion.
La béquille électronique s'installe côté extérieur. Elle permet d'ouvrir via un badge ou un smartphone, tout en laissant la barre antipanique intacte à l'intérieur.
Simple d’utilisation, vos locaux sont sécurisés sans action de l’usager.
Un contrôle d’accès sans fil
- Ouverture avec un badge ou un smartphone
- Paramétrage des produits avec badges ou smartphone
Une conception bien pensée
- Simple à installer : pas de câblage (autonome en énergie)
- Boitier pile côté intérieur
- Accès sécurisé sans action de l’usager
- Disponible avec clé de secours sur demi européen (l'action à la clé est historisée)
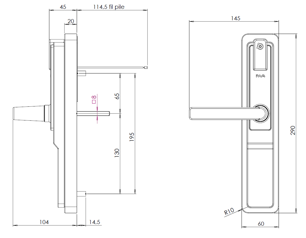
Caractéristiques de la béquille électronique
• Compatible avec les antipaniques Iséo 1 point et 3 points
• Sans profil européen
• Béquille réversible
• Fixation Béquille : carré à montage rapide – technologie Hoppe®
• Fixation très rapide sans vis pointeau
• La porte peut toujours être ouverte de l’intérieur avec l'antipanique
• Led de signalisation vert/rouge/bleu
• Signal sonore
Caractéristiques matériel
Béquille extérieure
- Entraxe de 195 mm
- Semelle plastique dimension : 290 x 60
- Capot en Inox et polycarbonate
- Plaque de 60 mm de largeur
- Carré de 7mm avec fourreau de 8 mm (mise à longueur suivant porte)
- IP 53
- Couleur : noir
Côté intérieur
- Boitier pile en inox
- Plaque de propreté Inox 244 x 37,5
Caractéristiques RFID
• Technologie d’identification (RFID – 13,56Mhz) : disponible en MIFARE Classic et DESFire
Sécurité
• Sécurité par algorithme AES128
Alimentation électrique
• Autonomie : 3 ans / 60 000 cycles
• 2 piles LR6 Lithium
• Alerte de l’usager pile faible
• Alerte au gestionnaire dans le logiciel
• Secours pile sans contact
